產品介紹:
本工具采用硬質合金鋼球作為刀頭,工具內部帶有浮動壓力裝置,可利用數控編程對外園,錐面,及園弧處進行滾壓。
產品展示:
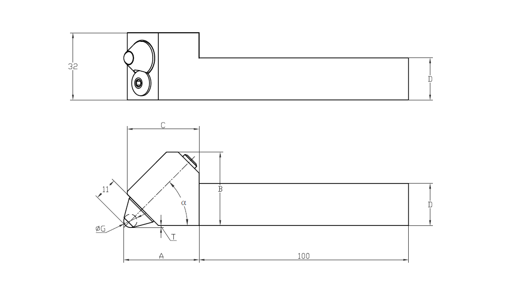
產品數據:

工具型號
角度
尺寸
刀桿
α
A
B
C
D
SQ6.35R1630
30
40
32
35
16
SQ6.35R2030
20
SQ8R1630
16
SQ8R2030
20
SQ6.35R1645
45
36
35
16
SQ6.35R2045
20
SQ8R1645
16
SQ8R2045
20
備注:除表格所列型號外,還可選擇左手刀把及園柄等規格




