應用: 滾壓滾花(非切削)
可加工直紋和左右斜紋
| 滾花類型 | 滾花輪 | 進給形式 | ||
![]() |
RAA | AA | F←R↑ | |
![]() |
RBR30° | BL30° | F←R↑ | |
![]() |
RBL30° | BR30° | F←R↑ | |
采用進口滾花輪:
| AA | BL30° | BR30° | BL45° | BR45° |
![]() |
![]() |
![]() |
![]() |
![]() |
產品數據:
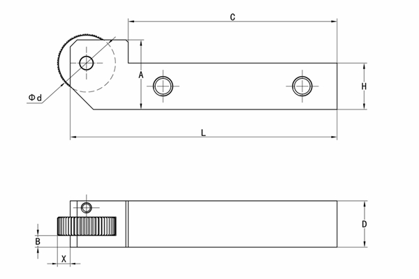
| 工具型號 | 安裝方向 | 加工范圍 | 適配滾花輪尺寸 | 刀桿尺寸 | X | |||||
| 直徑X寬度X孔徑 | A | B | C | D | H | L | ||||
| GH1150R12 | R 正 | Φ3-50 | Φ10/15×4×4 | 18 | 2 | 80 | 12 | 12 | 95 | 1.5/4 |
| GH1150L12 | L 反 | |||||||||
| GH1150R16 | R 正 | Φ3-50 | Φ10/15×4×4 | 22 | 2 | 80 | 16 | 16 | ||
| GH1150L16 | L 反 | |||||||||
| GH1200R20 | R 正 | Φ8-200 | Φ20/25×8×6 | 30 | 5 | 90 | 20 | 20 | 115 | 2/5.5 |
| GH1200L20 | L 反 | |||||||||
| GH1200R25 | R 正 | Φ8-200 | Φ20/25×8×6 | 35 | 5 | 90 | 20 | 25 | ||
| GH1200L25 | L 反 | |||||||||
加工實例:












