Rotary Broach Tool
Rotary broach tool works by rotating the cutter to generate cutting force. The tool developed by the company is a special-shaped hole cutter with easy operation. It is most suitable for general machines, CNC automatic lathe, processing center and drilling machines. It can be used to make blind holes, through holes or regular/irregular polygons. Apart from standard hexagonal and square holes, special shapes such as star shape and spline can also be customized.

Product performance and characteristics
1.No need to make punches, electrodes and other tooling, reduce auxiliary costs, quality stability, efficiency greatly improved, versatility.
2.One step of lathe work,reduces the working time.Use this tool,you can make the internal hex/square easily.It only takes 30 seconds to process 10mm hex and deep 15mm.
3.It is suitable for machining all kinds of material parts which hardness below HRC30.
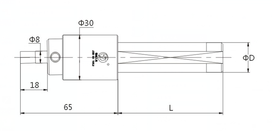
Product Data
| Model | Size | Broach head | |
| Φd | L | ||
| KC-CXS08A16 | Φ16 | 50 | KC-CT08-*** |
| KC-CXS08A20 | Φ20 | 70 | |
| KC-CXS08A25 | Φ25 | 80 | |
Product Display




